Kontakt
Hilfe & Service
Umbauservice Versandinformationen Zahlungsarten
News
PUBLIKATIONEN
Cigar Journal Cigar Clan Videos
CIGAR UNIVERSITY
Humidor know-how Expertenwissen
Anmelden
Der Humidor by Marc André
Menü
Anmelden
0 Wunsch
Liste
Wunschliste
0 Waren
Korb
Warenkorb
  • Marc André Humidore
  • Humidore
  • Humidorbaumaterial
  • Befeuchtungssysteme
  • Accessoires
  • Sonderanfertigungen
Marc André Humidore
Marc André Humidore
Marc André Humidore werden zu 100% in Deutschland gefertigt. Ein durchdachtes, patentiertes Unterteilungssystem, professionelle Befeuchtungstechnik und die Verwendung hochwertiger Rohstoffe machen einen Marc André Humidor zu einem wahren Zuhause für Ihre Zigarren. Ein Marc André Humidor ist eine Anschaffung für's Leben und wird nur dann ersetzt, wenn er mal wieder zu klein geworden ist...
Die Referenz - Century Humidore by Marc André Century Legion Century Legion Stone Century Centurion Century Centurion Stone Century Centurion View Century Imperator Century Cabinet
Humidore
WARUM EINEN HUMIDOR VON DER HUMIDOR? Tischhumidore bis 20 Zigarren Tischhumidore bis 50 Zigarren Tischumidore bis 100 Zigarren Reisehumidore Humidorschränkchen
Humidorbaumaterial
Spanisches Zedernholz Beschläge
Befeuchtungssysteme
Passive Humidorbefeuchter Elektronische Humidorbefeuchter Befeuchter-Zubehör Hygrometer
Accessoires
Accessoires
Aschenbecher Habanos Aschenbecher Havana Club Aschenbecher Colibri Aschenbecher Glasaschenbecher Keramik-Aschenbecher Zigarrenetuis Lederetuis Habanos Lederetuis Martin Wess Lederetuis mit Zedernholz Zigarrenhülsen
Cutter und Scheren Smoking Moses Donatus Colibri Cutter Passatore Xikar
Sonderanfertigungen
Lounges und Einbauhumidore CENTURY CABINET Doppelhumidor CENTURY CABINET Triple Interalpen-Hotel Tyrol Kempinski München Cigar Lounge Hotel Bareiss Cigar Lounge Colombi Hotel Freiburg Silver Cigar Lounge Einbauhumidor mit Auszügen Möbelumbau zum Humidor Antiker Linde Kühlschrank Einbauhumidor in Jugendstilvitrine Antikes Highboard Vitrinenschrank Akazie Einschubhumidor für Schrankwandnische Begehbare Humidore Casa del Habano Kaiserslautern La Cantinetta 118,4 Bensheim TABAK(S)BEUTEL - Großburgwedel Casa del Habano München Lucas Genuss Bar Donauwörth Private Lounge Walk-In Humidor
  1. Humidorbaumaterial
  2. Beschläge
Quadrantscharnier groß Edelstahl poliert
Bild von Quadrantscharnier groß Edelstahl poliert
Bild von Quadrantscharnier groß Edelstahl poliert
Bild von Quadrantscharnier groß Edelstahl poliert
Bild von Quadrantscharnier groß Edelstahl poliert
Bild von Quadrantscharnier groß Edelstahl poliert
Bild von Quadrantscharnier groß Edelstahl poliert
Bild von Quadrantscharnier groß Edelstahl poliert
Bild von Quadrantscharnier groß Edelstahl poliert
Bild von Quadrantscharnier groß Edelstahl poliert
Bild von Quadrantscharnier groß Edelstahl poliert

Quadrantscharnier groß Edelstahl poliert

Hochwertiges Quadrantscharnier aus poliertem Edelstahl, Schraubenköpfe poliert, Preis pro Paar (2 Scharniere inkl. Schrauben)
(1)
Bewertung schreiben
Art.-Nr. B-QS55cr
Gewicht 0,30 kg
38,50 € *
inkl. MwSt. zzgl. Versandkosten
Lieferzeit: Sofort lieferbar
In den Warenkorb
Merken
Fragen?
Weitersagen
  • BeschreibungQuadrantscharnier mit 55 mm Kantenlänge aus massivem, poliertem Edelstahl Hochwertiges Quadrantscharnier aus 2 mm dickem, poliertem Edelstahl (gefräst, nicht gestanzt). Makellose Oberfläche. Der Bügel ist aus 4 mm starkem Edelstahl gefräst, die Kanten sind ebenfalls poliert. Die mitgelieferten...
  • Bewertungen1
Schließen

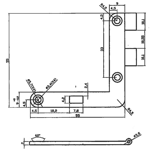
Quadrantscharnier mit 55 mm Kantenlänge aus massivem, poliertem Edelstahl

Hochwertiges Quadrantscharnier aus 2 mm dickem, poliertem Edelstahl (gefräst, nicht gestanzt). Makellose Oberfläche. Der Bügel ist aus 4 mm starkem Edelstahl gefräst, die Kanten sind ebenfalls poliert. Die mitgelieferten Edelstahlschrauben (Linsen-Schlitzschrauben) haben polierte Köpfe und werden speziell für diese Scharniere gefertigt.

Die Scharnierrolle ist absolut spielfrei und garantiert den perfekten Sitz des Humidordeckels.

Ideal für größere Humidore und Schatullen mit einer Deckelbreite über 40 cm.

Abmessungen
Schenkellänge: 55 mm
Schenkelbreite: 9 mm
Materialstärke: 2 mm

Lieferung pro Paar inkl. Schrauben

Bewertung schreiben

Great hinges, great service

Von: Marius Datum: Samstag, 16. Januar 2021

I ordered 2 sets of gold and of steel (stainless) hinges. Their quality is superb, with excellent finishing, including the screws. To me, for a very reasonable price. The service and communication too, is very adequate. So if you want to make boxes with high quality, then I really recommend using these hinges. Your energy and dedication, that is necessary for making a beautiful box, will be supported for 100% with these hinges.

War die Bewertung hilfreich? 1 1

Tags

Quadrantscharnier 6 Humidorscharnier 6 Beschläge 14

Benutzer, die diesen Artikel gekauft haben, haben auch gekauft

Bild von Spanisches Zedernholz, Stärke 8 mm, Sägefurnierbretter (Breite 10-32 cm)

Spanisches Zedernholz, Stärke 8 mm, Sägefurnierbretter (Breite 10-32 cm)

ab 13,90 € *
Bild von Volleinbauschloss Edelstahl poliert

Volleinbauschloss Edelstahl poliert

36,50 € *
Bild von Schlüsselschild rund vernickelt

Schlüsselschild rund vernickelt

8,65 € *
Bild von Quadrantscharnier groß Edelstahl vergoldet

Quadrantscharnier groß Edelstahl vergoldet

55,50 € *
Bild von Edelstahlscharnier

Edelstahlscharnier

15,50 € *
Bild von Quadrantscharnier klein Edelstahl poliert

Quadrantscharnier klein Edelstahl poliert

34,50 € *

Zuletzt angesehen

Bild von Quadrantscharnier groß Edelstahl poliert

Quadrantscharnier groß Edelstahl poliert

38,50 € *

Informationen

  • Alle Marken
  • Zuletzt angesehen
  • Publikationen
  • Wissenswertes

Service Service, Versand & Zahlung

  • Kontakt
  • Versandinformationen
  • Zahlungsarten
  • Cookie Manager

Firma Firma, Impressum & Datenschutz

  • Über DER HUMIDOR
  • Impressum

Rechtliches

  • AGB
  • Datenschutzerklärung Widerrufsrecht
* Alle Preise inkl. MwSt., zzgl. Versandkosten
Shopsoftware by SmartStore AG © 2025
Copyright © 2025 Der Humidor by Marc André. Alle Rechte vorbehalten.

Ja, wir verwenden Cookies

Sie entscheiden, welche Cookies Sie zulassen oder ablehnen. Ihre Entscheidung können Sie jederzeit in Ihrem My-Account-Bereich ändern. Weitere Infos auch in unserer Datenschutzerklärung.

Notwendige Cookies

Technisch erforderliche Cookies helfen uns dabei, die Bedienung der Webseite zu ermöglichen. Sie stellen Grundfunktionen, wie die Darstellung von Produkten oder den Login sicher und sind daher eine Voraussetzung zur Nutzung der Seite.

Analytische Cookies

Diese Cookies helfen uns, unsere Website zu verbessern, indem wir anonym die Leistung und die Verwendung unserer Seite verstehen.

Google Analytics Google Analytics hilft uns das Nutzerverhalten unserer Webseite zu analysieren und aufgrund dessen zu verbessern, um Ihnen die bestmögliche Nutzererfahrung zu bieten.
  • Warenkorb 0
  • Wunschliste 0